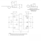
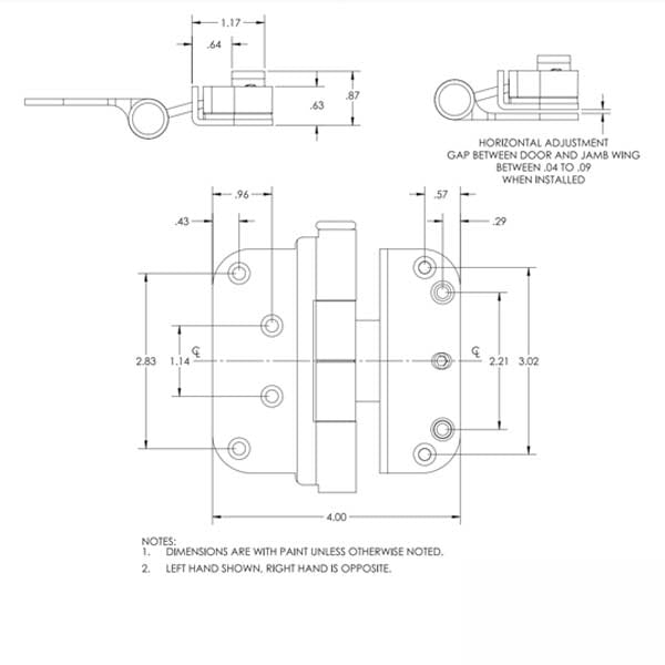
Marvin Elevate 300 Series Adjustable door hinge 3-5/8 x 4, Right Hand

All in one door hinge with vertical and horizontal adjustment. Used by several door companies including Marvin on their Elevate hinged door.
Hinge Type: Adjustable, All in one, Vertical and Horizontal
Width: 4 inches when open
Height: 3-5/8 inch
Thickness: 5/8 outer edge with 7/8 center at adjustment screw
Adjustment: 1/4 inch vertical and Horizontal
Adjustment Tool: 5/32 Hex head wrench
Handed: Yes, left or right hand for In swing and Out swing doors. ( See Handing Chart )
Substrates: Brass or Steel
Color / Finishes: Standard & Powder Coat
Priced and sold as each
NOTE: Original Integrity hinge used from 1999 - 03/01/2004
Current style needs to be mortised into door - see instructions
Door Units produced before 6/26/2017:
Additional Information:
3 hinge for frame height <82 inches and 4 hinge for frame height > than 82 inches
Available Finishes: Polished Chrome, Satin Chrome, Antique Brass, Bright Brass, Oil Rubbed Bronze, Satin Nickel, Brass PVD, and many other industry standard powder paint colors available special order
Matching mounting screws available
Hinge Replacement and Adjustment:
Replacement:
* Outswing doors normally use a gasket on the frame hinge
1. Open Door to 90 degrees or greater to access hinges.
2. Use blocking under door panel to remove tension / weight on hinges
3. Start by removing bottom hinge.
4. Replace New hinge and install screws four #8 x 1-1/2 screws in door panel
5. Install four #8 x 5/8 screws in door frame.
6. Continue from bottom to top till all hinges are replaced.
7. The hinge should be flush with the door panel and the frame.
8. Close door and inspect the reveal between door panel and frame.
Adjustment:
* You want an even Reveal (gap) between door panel and frame, top and sides.
* Vertical Adjustment is from the bottom of the Set hinge
* Horizontal adjustment is from the center of the Guide hinge
1. Adjust the Vertical set hinge using a 5/32 Hex / Allen wench., The gap at the top of the door is normally about 1/8-3/16 inch
2. Open Door and Adjust the Horizontal guide hinge to move the panel closer or further away from the frame.
3. Close door and inspect reveal, it might take several tries to get the reveal correct.
4. If door swings properly and the reveals are correct. Open door and remove the inner #8 x 5/8 screws from the frame side, top hinge, and install a longer 2-3 inch screw that will go thru the frame and connect with the wall stud. Additional long screws can be used if desired.
* The longer screw will help keep the door square to the frame, reduce sagging and add strength to the hinge side of the door.
Return and Refund Policy
Last updated: December 10, 2021
Thank you for shopping at Golden Locks Inc.
If, for any reason, You are not completely satisfied with a purchase We invite You to review our policy on refunds and returns.
The following terms are applicable for any products that You purchased with Us.
Interpretation and Definitions
Interpretation
The words of which the initial letter is capitalized have meanings defined under the following conditions. The following definitions shall have the same meaning regardless of whether they appear in singular or in plural.
Definitions
For the purposes of this Return and Refund Policy:
-
Company (referred to as either "the Company", "We", "Us" or "Our" in this Agreement) refers to Golden Locks Inc, 16582 Gothard Street Suite E Huntington Beach CA 92647..
-
Goods refer to the items offered for sale on the Service.
-
Orders mean a request by You to purchase Goods from Us.
-
Service refers to the Website.
-
Website refers to Golden Locks Inc, accessible from https://goldenlocksinc.com/
-
You means the individual accessing or using the Service, or the company, or other legal entity on behalf of which such individual is accessing or using the Service, as applicable.
Your Order Cancellation Rights
You are entitled to cancel Your Order within 14 days without giving any reason for doing so.
The deadline for cancelling an Order is 14 days from the date on which You received the Goods or on which a third party you have appointed, who is not the carrier, takes possession of the product delivered.
In order to exercise Your right of cancellation, You must inform Us of your decision by means of a clear statement. You can inform us of your decision by:
-
By email: info@goldenlocks.net
-
By visiting this page on our website: https://goldenlocksinc.com/pages/contact-us
-
By phone number: +1 714-841-0141
-
By mail: 16582 Gothard Street Suite E Huntington Beach CA 92647.
We will reimburse You no later than 14 days from the day on which We receive the returned Goods. We will use the same means of payment as You used for the Order, and You will not incur any fees for such reimbursement.
Conditions for Returns
In order for the Goods to be eligible for a return, please make sure that:
- The Goods were purchased in the last 14 days
- The Goods are in the original packaging
The following Goods cannot be returned:
- The supply of Goods made to Your specifications or clearly personalized.
- The supply of Goods which according to their nature are not suitable to be returned, deteriorate rapidly or where the date of expiry is over.
- The supply of Goods which are not suitable for return due to health protection or hygiene reasons and were unsealed after delivery.
- The supply of Goods which are, after delivery, according to their nature, inseparably mixed with other items.
We reserve the right to refuse returns of any merchandise that does not meet the above return conditions in our sole discretion.
Only regular priced Goods may be refunded. Unfortunately, Goods on sale cannot be refunded. This exclusion may not apply to You if it is not permitted by applicable law.
Returning Goods
You are responsible for the cost and risk of returning the Goods to Us. You should send the Goods at the following address:
16582 Gothard Street Suite E Huntington Beach CA 92647
We cannot be held responsible for Goods damaged or lost in return shipment. Therefore, We recommend an insured and trackable mail service. We are unable to issue a refund without actual receipt of the Goods or proof of received return delivery.
Gifts
If the Goods were marked as a gift when purchased and then shipped directly to you, You'll receive a gift credit for the value of your return. Once the returned product is received, a gift certificate will be mailed to You.
If the Goods weren't marked as a gift when purchased, or the gift giver had the Order shipped to themselves to give it to You later, We will send the refund to the gift giver.
Contact Us
If you have any questions about our Returns and Refunds Policy, please contact us:
-
By email: info@goldenlocks.net
-
By visiting this page on our website: https://goldenlocksinc.com/pages/contact-us
-
By phone number: +1 714-841-0141
-
By mail: 16582 Gothard Street Suite E Huntington Beach CA 92647.